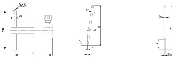
Shank probes are primarily used for measurement of grooves, shoulder, of blind bores and more. Call us to learn more.